Essential tool for quality inspection
Three-dimensional scanning uses a composite three-dimensional non-contact measurement technology that combines structured light technology, phase measurement technology, and computer vision technology. It uses white light raster scanning, working in non-contact three-dimensional scanning mode, fully automatic splicing, and has the advantages of high efficiency, high precision, long life, high resolution, etc. It is especially suitable for reverse modeling of complex free-form surfaces and is mainly used in products. R&D design (RD, such as rapid prototyping, 3D digitization, 3D design, 3D scanning, etc.), reverse engineering (RE, such as reverse scanning, reverse design) and 3D inspection CAV) are essential tools for product development and quality inspection. Three-dimensional scanners are also called laser scanners or 3D scanners in some areas.
Use a three-dimensional scanner to scan the board, sample, and model to obtain the three-dimensional size data, which can be directly interfaced with the CAD/CAM software, and the data can be adjusted and repaired in the CAD system.
Used in automobiles, motorcycles, home appliances, etc.


both have characteristics
Industrial design is the design of industrial products based on engineering, aesthetics, and economics, and its concept is to "have characteristics while meeting the needs of all aspects." Industrial design has a broad application space in enterprises. Industrial design is divided into four categories: product design, environmental design, communication design, and design management; including modeling design, mechanical design, circuit design, clothing design, environmental planning, interior design, etc.
Through the design of product strategy, appearance, structure, function and the layout of the entire production system, the quality and personality of the product can be more intuitively conveyed, which is an important factor in the design of industrial products. Industrial product design is no longer a simple "technology ten arts, but an organic combination of engineering knowledge, ergonomics, humanities and social sciences, artistic aesthetics, marketing knowledge and consumer psychology.


Essential tool for quality inspection
Graphic design, also known as visual communication design, uses "visual" as a means of communication and expression. It creates and combines symbols, pictures and words in a variety of ways to convey ideas or messages. Visual performance. Graphic designers may use professional skills in typography, visual arts, page layout, computer software, etc., to achieve the purpose of the creative plan. Graphic design usually refers to the process of production (design) and the final work.


A good product must first be practical
Product structure design is aimed at the design of the internal structure and mechanical parts of the product; a good product must first be practical. Therefore, product design is firstly function, followed by shape. The realization of various functions of the product completely depends on an excellent structural design. Structural design is one of the basic contents of mechanical design, and it is also the most complicated work link in the entire product design process. It plays a vital role in the product formation process.
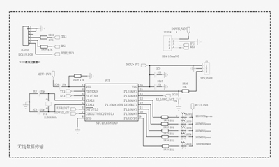
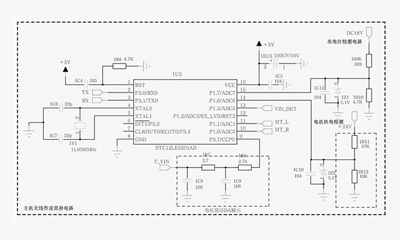
Electronic circuit design is divided into: electronic hardware design, software design
Electronic hardware design includes: circuit schematic design, PCBLAYOUT, PCBA production,
testing and other software design including: source code design, functional debugging, etc.
Electrical circuit design includes: schematic design, PLC source code design, function debugging, etc.

























_1760581062.png)